Návod na stavbu Interface USB -
DMX512
Pro komunikaci s USB lze využít již
hotových obvodů např. od firem Future Technology Device Inc.
(FTDI) Steer, W., A. [18],
Prolific Technology Inc. (Prolific), SigmaTel, Texas
Instruments, Kawasaki a Semtech. Některé tyto obvody jsou
již pro komunikaci s USB připraveny a jsou dostupné i jejich
ovladače pro operační systém. Pro jejich použití tak není
vyžadována znalost poměrně složitého USB komunikačního
protokolu. Z celé řady těchto obvodů se nám nejvíce nabízí
obvody FTDI, které jsou na našem trhu běžně dostupné a
zřejmě i nejznámější také díky masivní kampani ASIX
s.r.o.[19],
která obvody v ČR distribuuje. Pro jejich volbu jsem se
rozhodl také kvůli hojně dostupné dokumentaci jak na
internetu, tak v knižní podobě [21].
Obvod, který bude potřeba, je typ FT232BM [21].
Jde o konvertor
USB – UART s přenosovou rychlostí 300 Bit/s až 3 MBit/s a s dvouportovou
vyrovnávací pamětí o velikosti 128 bajtů ve směru od PC k
aplikaci a 384 bajtů směrem opačným. K dispozici je i plně
hardwarové řízení přenosu - signály RTS, CTS, DTR, DSR, DCD
a RI, a navíc signál TXDEN k řízení směru komunikace při
spolupráci s konvertory úrovní EIA485.
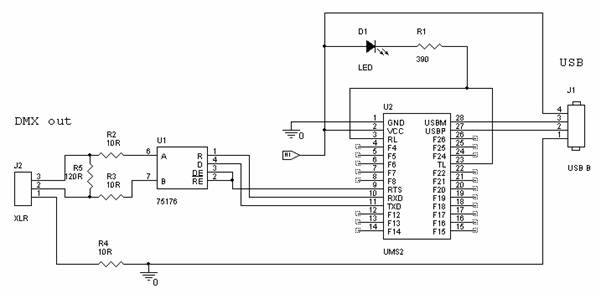
Zapojení rozhraní USB-DMX512 vychází z doporučeného zapojení obvodu
FT232BM doplněného o obvod
SN75176 zajištující správné napěťové úrovně pro standard
EIA485 a je uvedeno na obrázku 6.1. Při konstrukci prototypu
bylo využito hotového modulu UMS2 (U2) [22]
od firmy ASIX s.r.o. Tento modul představuje doporučené
zapojení obvodu FT232BM zapájeného do patice DIL 28. Tím se
složitost celého zapojení velice zjednodušila a nebylo
potřeba složitě pájet součástky SMD. Odpory R2,R3,R4 jsou
připojeny pro ochranu obvodu. Zařízení však pro zkušební
účely pracuje i bez těchto odporů a výstup z obvodu SN75176
(U1) je také odolný proti zkratu. Odpor R5 zajišťuje
impedanční přizpůsobení sběrnice na straně vysílače. Dioda
D1 signalizuje blikáním vysílání nebo příjem obvodu FT232BM
s frekvencí závislou na frekvenci posílaných paketů.

Obrázek 6.1 – Rozhraní USB-DMX512 s modulem UMS2
Pro řízení směru komunikace
v obvodu SN75176 jsem volil záměrně vývod RTS místo
TXDEN z důvodu zpětné kompatibility s otevřeným
projektem ENTTEC [23],
a tím i možnosti využívat nemalou škálu programů
vytvářených k tomuto projektu. Rozpis součástek pro
rozhraní USB – DMX512 s modulem UMS2 je v tabulce 6.1.
Schéma a popis modulu UMS2 je v příloze B.
|
Značení |
Hodnota |
|
U1 |
SN75176 |
|
U2 |
modul UMS2 |
|
D1 |
LED |
|
R1 |
390 R |
|
R2 |
10 R |
|
R3 |
10 R |
|
R4 |
10 R |
|
R5 |
120 R |
|
J1 |
konektor USB typ B |
|
J2 |
konektor XLR zásuvka |
Tabulka
6.1 - Rozpis součástek
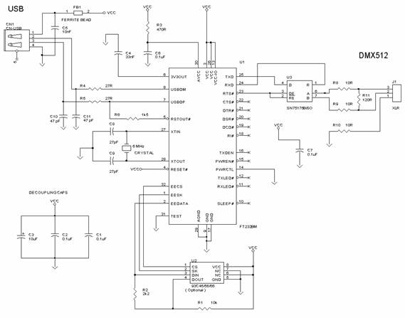
Na obrázku 6.2 je schéma celého v naší práci
nepostradatelného rozhraní USB – DMX512, navrženého
pokud možno s SMD součástkami. Je zde navíc kondenzátor
C5 a tlumivka FB1 pro filtraci napájecího napětí. Mezi
hostitelským a klientským rozhraním se může indukovat
šum, na který je USB kontrolér citlivý. Proto je zde
možnost připájet k datové cestě dva filtrační
kondenzátory C10 a C11, které zlepšují šumovou imunitu.
Plošný spoj tohoto rozhraní je uveden v příloze D.
Důležitá je ještě práce s pamětí EEPROM. Obvod sice
funguje i bez této paměti, ale nelze pak upravit
identifikační údaje zařízení. Paměť EEPROM musí mít
organizaci 16 bitů a před osazením je vhodné ji
přemazat. Nepřemazaná paměť může zapříčinit, že se celé
zařízení nebude v OS Windows XP detekovat, a nepůjde
tedy ani použít konfigurátor paměti EEPROM. V tomto
případě, pokud je již EEPROM zapájená pevně v modulu, se
naskýtá ještě jedna trochu násilnější možnost, jak
donutit obvod ke komunikaci. Je potřeba při připojování
na chvíli podržet (např. pinzetou) piny 1 a 2 (CS a
SK) na vývodech EEPROM (U2) ve zkratu. Tyto vývody jsou
v klidovém stavu v úrovní L. Obvod se tak přihlásí v defaultním
režimu a pak lze již paměť EEPROM konfigurovat.
K načtení a nastavení identifikačních údajů lze využít
program MProg 2.8a - EEPROM Programming Utility[24]
od FTDI, nebo EFSProg [20].

Obrázek
62 – Rozhraní USB – DMX512
Komunikace mezi aplikací a hardwarem může být
zajišťována buď Virtual COM Port (VCP) ovladači [21],
nebo přímými WDM ovladači (D2XX) REF _Ref136262896 \h
[21].
Aplikace využívající přímé ovladače používá knihovní
funkce FTD2XX.DLL, pomocí kterých přistupuje přímo k
obvodům FTDI232/245. Pouze při použití přímých ovladačů
je možné programovat externí paměť EEPROM, ve které jsou
uloženy některé důležité inicializační informace obvodu
FTDI. Tyto WDM ovladače jsou použity pro rozhraní
USB-DMX512 a jejich architektura je na následujícím
obrázku 6.3 převzatém z publikace [20].

Obrázek
6.3 – Ovladače obvodů FTDI
V rámci projektu Enttec Open DMX USB Interface [23]
byly vytvořeny také ovladače pro Linux
[24]
a Mac OS [25].
Seznam součástek pro rozhraní USB – DMX512 s označením
jejich pouzder je uveden v tabulce 3.1 a schéma plošného
spoje je uvedeno v příloze D.
|
Značení |
Hodnota |
Pouzdro |
|
Značení |
Hodnota |
Pouzdro |
|
C1 |
100 nF |
SMD 1206 |
|
R1 |
10k |
SMD 1206 |
|
C2 |
100 nF |
SMD 1206 |
|
R2 |
2k2 |
SMD 1206 |
|
C3 |
10 uF / elektrolit |
4 x 5, RM=1,5 |
|
R3 |
470 R |
SMD 1206 |
|
C4 |
33 nF |
SMD 1206 |
|
R4 |
27 R |
SMD 1206 |
|
C5 |
10 nF |
SMD 1206 |
|
R5 |
27 R |
SMD 1206 |
|
C6 |
100 nF |
SMD 1206 |
|
R6 |
1k5 |
SMD 1206 |
|
C7 |
100 nF |
SMD 1206 |
|
R8 |
10 R |
SMD 1206 |
|
C8 |
27 pF |
SMD 1206 |
|
R9 |
10 R |
SMD 1206 |
|
C9 |
27 pF |
SMD 1206 |
|
R10 |
10 R |
SMD 1206 |
|
C10 |
47 pF |
SMD 1206 |
|
R11 |
120 R |
SMD 1206 |
|
C11 |
47 pF |
SMD 1206 |
|
FB1 |
100 uH |
0312 |
|
U1 |
FT232BM |
LQFP-32 |
|
J1 |
konektor XLR |
XLR-508/JP |
|
U2 |
93C46 |
SO-8 |
|
CN1 |
konektor USB-B |
USB-1X90B PCB1 |
|
U3 |
SN75176B |
SO-8 |
|
|
|
|
Tabulka
6.2 – Seznam součástek pro rozhraní USB - DMX512
Pro připojení modulu je použit standardní USB
propojovací kabel, kde je na jedné straně kabelový
konektor typu A určený pro připojení k počítači a na
straně druhé je kabelový konektor typu B určený pro
připojení modulu. Pohled na zapojení těchto konektorů je
na obrázku 6.4.
|

|
|
1 |
USB +5V |
|
2 |
USB data - |
|
3 |
USB data + |
|
4 |
USB GND |
|
Obrázek
6.4 – Zapojení USB konektorů
Dodatek: rozhraní
u PC vhodné pro DMX512
Na PC lze běžně využít rozhraní,
jakými jsou paralelní port (LPT) , sériový port (COM
popř. ttyS), MIDI, USB, Ethernet. Jelikož jde o sériový
přenos, jeví se jako nejvhodnější sériový port nebo MIDI,
bohužel však nedosahují potřebné rychlosti 250 kBit/s.
Přesto však tyto převodníky existují. Využívají
mikroprocesoru, který vícekrát za sebou posílá stejná
data nebo posílá pouze menší datovou část paketu.
Paralelní port je již svojí rychlostí dostatečný, ale
pouze za předpokladu, že se bude využívat více než jeden
datový výstup, a proto i zde je potřeba další obvod pro
převod z paralelně posílaných na sériově posílaná data.
Navíc toto počítačové rozhraní je již na ústupu a ne
vždy ho nalezneme např. na noteboocích. Také fakt, že
běžně nebývá toto rozhraní přítomno více než jedenkrát,
by mohl omezovat používání jiného zařízení či více
těchto modulů současně. Dalším v této oblasti důležitým
rozhraním je Ethernet, kterým se někdy přímo nahrazuje
protokol DMX512, neboť umožňuje obousměrnou komunikaci,
má zabezpečení proti rušení a dosahuje daleko vyšší
rychlosti. Přesto se však stále nejvíce používá protokol
DMX512, a technika s ním pracující je i cenově
dostupnější. Převodník mezi Ethernetem a protokolem
DMX512 by byl jistě zajímavý, avšak není tak častým
rozhraním, jako je dnes USB, a pro účel vizualizace
hudby v reálném čase by Ethernet nic víc nepřinesl.
[1] WWW stránky institutu
USITT:
http://www.usitt.org
[2]
WWW stránky firmy Texas Instruments, Inc.:
http://www.ti.com
[3]
WWW stránky firmy Maxim Integrated Products, Inc.:
http://www.maxim-ic.com
[4]
WWW stránky firmy Texas Instruments, Inc.:
http://www.burr-brown.com
[5]
WWW stránka věnovaná EIA485:
http://www.maxim-ic.com/appnotes.cfm?appnote_number=763&CMP=WP-1
[6] WWW stránky firmy
American DJ Supply, Inc.:
http://www.americandj.com
[7] Časopis
Amatérské Radio 11/2005, nebo
WWW stránky ChaN:
http://elm-chan.org
[8]
Matoušek, R.: Analýza hudby - diplomová práce, ČVUT FEL
v Praze, 2000
[9] Duška, S.: Vizualizace Hudby - diplomová práce, ČVUT
FEL v Praze, 2002
[10] Šnorek, M.: Analogové a
číslicové systémy, Vydavatelství
ČVUT, Praha 1999
[11] WWW stránky firmy
Firelight Technologies, Pty, Ltd.:
http://www.fmod.org
[12] WWW stránky
firmy Reliable Software, LLC.:
http://www.relisoft.com
[13] WWW stránka o
zpracování FFT:
http://www.codeproject.com/audio/waveInFFT.asp
[14] WWW stránky
firmy Un4seen developments:
http://www.un4seen.com
[15] WWW stránky
projektu kX:
http://kxproject.lugosoft.com
[16] WWW stránky YOV408
Programming Resources:
http://www.yov408.com ,
http://www.yov408.com/html/codespot.php?gg=36
[17]
Steer, W., A.: WWW stránka o Wave I/O in Windows,
http://www.techmind.org/wave/
[18] WWW stránky firmy
Future Technology Devices International Ltd.:
http://www.ftdichip.com
[19]
WWW stránky firmy ASIX, s.r.o.: http://www.asix.cz
[20]
Matoušek, D.: USB prakticky s obvody FTDI – 1. díl,
nakladatelství BEN, Praha 2003
[21] WWW stránky firmy
Future Technology Devices International Ltd.:
http://www.ftdichip.com/Products/FT232BM.htm
[22]
WWW stránky firmy ASIX, s.r.o.:
http://www.asix.cz/a6ums2.htm
[23]
WWW stránky firmy
ENTTEC Pty. Ltd.:http://www.enttec.com
[24] WWW stránka, Erwin Rol,
ovladač FTDI pro Linux
http://www.erwinrol.de/index.php?opensource/dmxusb.php
[25]
WWW stránka s ovladačem FTDI pro MAC OS:
http://www.akustische-kunst.org/maxmsp/download/dmxusb-1.0test2.sit
[26] WWW stránky firmy Atmel
Corp.:
http://www.atmel.com
[27] WWW stránka
s programátorem SP12:
http://www.xs4all.nl/~sbolt/e-spider_prog.html
[28]
WWW stránky s programátorem AVRDUDE:
http://www.bsdhome.com/avrdude
[29] WWW stránka,
Ústav radioelektroniky, FEKT VUT v Brně:
http://www.urel.feec.vutbr.cz/EncyklopedieEMC/index.php?soubor=4.3.1.htm
[30] WWW stránky VUT,
UREL:
http://www.urel.feec.vutbr.cz
[31] WWW stránky firmy
Almeto, s.r.o.:
http://www.intermix.cz/almeto
[32] WWW stránky
firmy GoldWave Inc.:
http://www.goldwave.com
[33] WWW stránky
firmy Soundlight, The DMX Company:
http://www.soundlight.de/techtips/dmx512/dmx512.htm
[34] Vlachý, V.: Praxe zvukové techniky, Vydavatelství
Muzikus, Praha 1995
[35] Corera A., Fraser, S., McLean, S., Kumar, N.,
Robinson, S., Sarang, G., Ventile, S.: Visual C++ .NET,
Computer Press, a.s., Brno 2003
[36] Chalupa, R.: 1001 tipů a triků pro Visual C++,
Computer Press, a.s., Brno 2003
[37] Katalog firmy GM electronic, s.r.o., Praha 2006
[38] Katalog firmy GES electronic, s.r.o., Praha 2003
[39] Vladimír, V.: Mikrokontroléry ATMEL AVR - popis
procesorů a instrukční soubor, nakladatelství BEN, Praha
2003
|